来宾来宾蔡司来宾来宾三坐标测量机基准体系中的各个基准在公差代号框格中按顺序排列:左起第三格中字母所表示的是“第一基准”,第四格为“第二基准”,第五格为“第三基准”。第二基准的拟合要索以第一基准为基准,即受到第一基准的约束。第三基准的拟合要素以由第一、第二基准构成的体系为基准,即受到第一和第二基准的约束。事实上基准的建立也是一个拟合过程,其拟合目标就是它的理论模型。

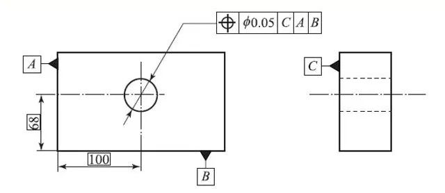
图3.6表示了一个典型的“三基面体系”基准体系案例。图样右上方为标有完整基准体系的位置度公差。按图样要求,须构建对工件误差评定的基准体系(A/B/C基准)。
这里参照传统检测的定位模式对其进行解读,其中第一基准A将工件约束在A面的(法矢、乙轴)方向上,同时也约束了其在Z轴方向上的移动、绕X轴与Y轴的转动.一共约束了3个自由度;第二基准B约束了工件绕2轴的转动以及沿Y轴方向上的移动,一共约束了2个自由度;第三基准C约束了工件沿 轴移动,即约束了最后一个自由度。
下面描述该评定基准在几何坐标测量中的建立过程,即工件在基准体系中的虚拟定位过程:
1)将工件置于坐标测量系统的测量空间中,测量第一基准A定义的工件A面上若干点(>3点),通过平面的拟合操作,得到第一基准的基准要素(A面)在当前测量坐标系下的法向矢量方向和空间位置。
2)通过基准体系空间方向设置(一般使用测量软件)功能,将A面的法向矢量方向设为空间基准轴Z轴,并将A面设为Z轴的零点,即XY平面(此时工件在测量空间中并不移动,只是虚拟的基准体系做空间旋转变换,即XY平面从原有位置转到所设置位置)。此时即约束了工件在虚拟坐标系下绕 轴(方向()和绕Y轴(方向b)的转动(即确定工件的空间基准方向),并约束工件在Z轴方向的移动,共约束了工件在空间的3个自由度。
3)在第二基准B定义的工件B面进行若干点的测量,将其投影到A基准平面上并进行直线拟合;并在A基准下将其设置为基准体系中的 轴,即丫轴的零点(此时工件在测量空间中并不移动,只是虚拟的基准体系做以A基准方向为轴的平面旋转变换,即将原X轴根据第二基准要求旋转并移动到B线上),它将在虚拟坐标系下约束工件绕Z轴(方向c)的转动(即确定工件的平面基准方向)。同时也约束了工件沿Y轴方向的移动。即总共约束了工件在空间的2个自由度。
4)在确定A、B基准面的方向与位置后,第三基准C的方向是自然确定(根据三基面的右手法则),此时工件还有一个自由度没有约束,即工件仍可在 轴方向上移动。在第三基准C定义的工件C面上测量若干点并投影到A基准面,然后以B基准为约束拟合C线,即拟合出来的C线必须垂直于B线,并通过测量软件操作,将C线设置为X轴的零点(此时工件在测量空间中并不移动,只是虚拟的基准体系作平面移动变换),这个操作将约束工件沿 轴的移动,即工件在空间的最后一个自由度。
从上面的操作流程中我们可以看到,B面的测量数据被投影到A面上,实际上就是确保了拟合出来的B是垂直于A面的,准确的说法就是B基准的拟合在A基准的约束下。
同样道理,在C基准拟合时,C面的测量数据被投影到A面上,即(基准的拟合是在A基准的约束下进行。同时,由于C和B的理论模型是相互垂直的,所以此时的C基准确定实际上是确定X轴的零点。在拟合C基准时,其还受到B基准的约束,即拟合得到的c线一定是垂直于B基准。
在上述评定基准的构建过程,可以看到其与机械加工和传统测量中工件的六点定位原理相似。只是加工和传统测量中工件定位的基准是工装或台面,定位时工件外贴合在基准(面)上。而坐标测量中的基准/基准体系构建则是虚拟的,即工件不动,通过相关基准体系的空间转换(通过数字方法的坐标变换),将工件定位在基准体系中,或者更形象地说是基准体系贴合(拟合)到工件上去。这是一种数学定位找准的方法。
此外,评定基准/测量坐标系也可以通过平移、转动等操作,从其他评定基准/测量坐标系中来构建生成。

